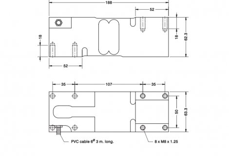
CZUJNIK TENSOMETRYCZNY M220
PODSTAWOWE CECHY:
- Zasada działania: podwójnie ścinany jednopunktowy przetwornik tensometryczny
- Zakres pojemności czujnika: 50 - 75 - 100 - 150 - 200 - 250 - 300 - 500 - 635 kg
- Czujnik siły wykonany z aluminium
- Klasa dokładności odpowiada 3000 działom zgodnie z OIML
- Wysoka dokładność przy obciążeniach mimośrodowych
- Stopień ochrony IP67 (EN 60529)
PRZYKŁADOWE ZASTOSOWANIA:
- Wagi platformowe do 600 x 600 mm
- Wagi dozujące
- Wagi liczące
- Maszyny do pakowania i napełniania







