DAT-400
Cyfrowo-analogowy miernik wagowy
PODSTAWOWE CECHY:
- Możliwość konfiguracji i kalibracji przy pomocy interfejsu komputerowego lub przy użyciu klawiatury panelu czołowego
- Kalibracja wzorcem naprężenia i/lub masy
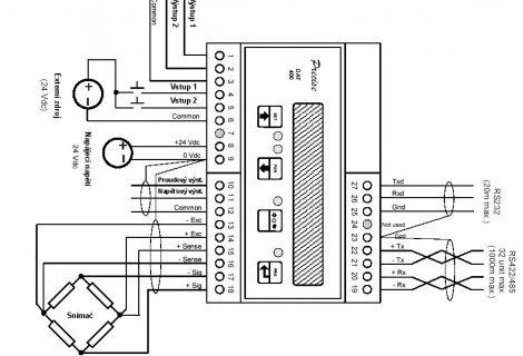
- 2 wejścia optoizolowane logiczne
- 2 wyjścia optoizolowane logiczne
- Cyfrowy wybór stopnia filtrowania
- Funkcje automatycznego zerowania i śledzenia zera
- Kompensacja błędu liniowości
- Wyjścia analogowe: 0-5V DC, 0-10V DC, 0-20 mA i 4-20 mA
- Porty szeregowe:
- RS-232
- RS-422
- RS-485 z protokołem MODBUS RTU
- Opcjonalnie: PROFIBUS lub DEVICENET (zastępuje wyjście analogowe)
- Można podłączyć do 32 adresowanych jednostek (połączenie punkt-punkt) przy użyciu portu szeregowego RS-485
- Obudowa ABS








